24v开关电源电路图及工作原理-galaxy银河电源
2016-08-11
24v开关电源电路图及工作原理
24V开关电源,是高频逆变开关电源中的一个种类。通过电路控制开关管进行高速的道通与截止。将直流电转化为高频率的交流电提供给变压器进行变压,从而产生所需要的一组或多组电压!
24V开关电源的工作原理是:
1、交流电源输入经整流滤波成直流;
2、通过高频PWM(脉冲宽度调制)信号控制开关管,将那个直流加到开关变压器初级上;
3、开关变压器次级感应出高频电压,经整流滤波供给负载;
4、输出部分通过一定的电路反馈给控制电路,控制PWM占空比,以达到稳定输出的目的。

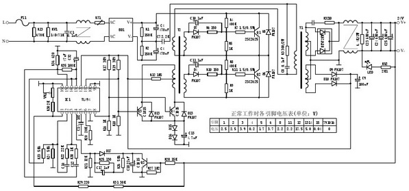
24v开关电源原理图

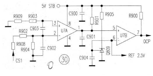
24V过流保护图

24V过压保护图
24V开关电源,是高频逆变开关电源中的一个种类。通过电路控制开关管进行高速的道通与截止。将直流电转化为高频率的交流电提供给变压器进行变压,从而产生所需要的一组或多组电压!
24V开关电源的工作原理是:
1、交流电源输入经整流滤波成直流;
2、通过高频PWM(脉冲宽度调制)信号控制开关管,将那个直流加到开关变压器初级上;
3、开关变压器次级感应出高频电压,经整流滤波供给负载;
4、输出部分通过一定的电路反馈给控制电路,控制PWM占空比,以达到稳定输出的目的。

24v开关电源原理图

24V过流保护图

24V过压保护图










